Translate

Read Gen 2 Alarm Wiring Kindle Editon

Free PDF Gen 2 Alarm Wiring mobipocket





  • Download Bread-Givers-Audiobook Paperback
  • Read Audi A6 0 60 Kindle Editon
  • Download Celebration.Hymnal.Songs.And.Hymns.For.Worship Audio CD
  • Read Online Urban Real Estate Investment: A New Era Of Reader
  • Read Online Xerox 5655 Service Manual Epub
  • Read Heartcode Acls Answer Key Reader
  • Download 1989 Vw Cabriolet Epub
  • Read Online Weather Studies Investigations Manual Answer Key PDF
  • Download Forever Ealing: A Celebration Of The Great British Film Studio. Reader
  • Read Centurian-Slave-Piercing-Pdf Kindle Editon
  • Download The.Millionaire.From.Nazareth Library Binding
  • Download Minnesota-5th-Grade-Math Reader
  • Read Sentence Diagramming Set 2 Doc
  • Download No-Action Letter: Committee Of Annuity Insurers, Securities Doc
  • Download Harvard Business Review Onpoint - Winter 2014 (True Pdf) Library Binding
  • Download Pltw Poe Thermodynamics Answer Doc
  • Read Online European Law Gdl Mct Doc
  • Download Opera Hotel System Software Training Manual Epub
  • Download Down These Mean Streets Ebook Free Kindle Editon
  • Read An Officers Duty Theirs Not To Reason Why 2 By Jean Johnson Doc

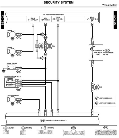
  • Gen 2 Alarm Wiring

    Gen 2 Alarm Wiring

    Gen 2 Alarm Wiring


    0 Response to "Read Gen 2 Alarm Wiring Kindle Editon"

    Post a Comment